pp电子平台

投光灯 LF23

投光灯
投光灯 投光灯 投光灯

功能特性

灯具紧凑、轻量化设计,便于现场安装维护

安装支架可调,保证光线精准投射

一体化模组设计,提高产品机械强度

多种光学配光可选,满足不同区域照明

会呼吸的模组,避免LED光源器件承受桑拿效应

采用钢化玻璃,灯罩具有93%的超高透光率及抗冲击力IK08

描述与应用

技术规格

基本

产品名称

投光灯

产品型号

LF23

光学

光源寿命

≥50000h

色温

冷白:5500K-6000K     
暖白:2700K-3000K

LED 光效

冷白:≥ 110 lm/w           		
暖白:≥95 lm/w

显色指数

冷白:Ra≥70     		
暖白:Ra≥80

发光角度

15°/25°/60°可选

电气

工作电压范围

AC200V~AC240V

工作电源频率

50Hz~60Hz

额定功率

300W    

PF

>0.9

雷击浪涌

GB/T 17626.2-2006 ±2KV

静电放电

GB/T 17626.5-2008 ±8KV

电磁兼容

GB/T 17626.5-2008
GB/T 17626.2-2006
GB/T 17626.4-2008

机械

机身材质

铝合金

灯罩材质

钢化玻璃

防坠链材质

不锈钢

工作环境温度

Ta -30̊ ~+60 ̊ (过热保护)

防护等级

IEC60529 IP65

振动等级

IEC60068 5G

IK 等级

IEC62262 IK08

盐雾等级

ISO9227 720H

外观颜色

银色

参考重量

17 kg

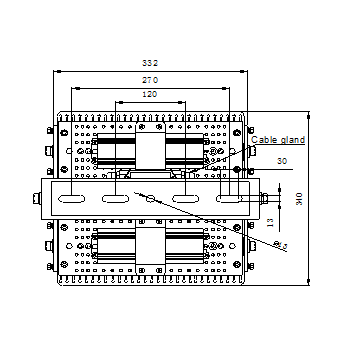
尺寸

投光灯
投光灯

产品应用图

投光灯

投光灯

投光灯

© PP电子(中国)集团官网平台