多种报警音调可供选择
使用方式简单、可长时间连续工作
专用集成芯片设计,超强的电磁抗干扰性能
多种组合配置方式,系统应用灵活方便
外观结构新颖,操作使用方便
外壳采用阻燃ABS,含抗紫外线、抗老化等成分,能有效的抵御盐雾腐蚀
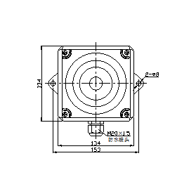
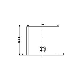
AE001 多音调防水报警器是我公司根据港务机械、机电行业的大、中型行车及船舶、码头设备的实际情况而研制的产品。本产品外观新颖,具有多音调可调报警、防护等级高、操作简单、体积小巧、安装方便等优点;具有良好的防水、防潮、抗冲击抗强震性能。经过实际使用,多种音调报警提示对协调工作、设备报警、保护人身安全起到了重要的作用。 适用于各种港务机械,机电行业的大、中型行车及船舶,码头设备。
产品名称
多音调防水报警器
产品型号
AE001
示警方式
声报警
工作电压
AC110V~AC240V/DC24V
电源频率
50Hz ~ 60Hz
功 率
8W
主体材质
ABS
工作温度
-40˚C ~ +70˚C
工作湿度
10% ~ 95% (不凝结)
防护等级
IP66
参考重量
0.8Kg
喇叭参数
8Ω
声 级
108dB
音 调
单音调(16种拨码开关)