pp电子平台

报警器 BC-3A

功能特性

多种报警音调可供选择

报警声音清晰响亮

使用方式简单,可长时间连续工作


                        


                        


                        

描述与应用

技术规格

基本

产品名称

报警器

产品型号

BC-3A

示警方式

声报警

电气

电源频率

50Hz~60Hz

喇叭功率

10W

机械

材 质

工程塑料

工作温度

-30˚C ~ +70˚C

工作湿度

10% ~ 95% (不凝结)

参考重量

1.6kg

防护等级

IP65

声学

喇叭阻抗

8Ω/16Ω

声 级

106dB

音 调

A/B/E/D/语音

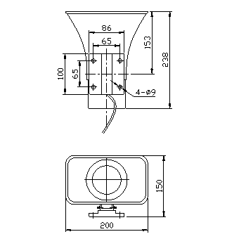
尺寸

产品应用图

© PP电子(中国)集团官网平台